Điện thoại
18002016C Series
CT (CTC, CTE, CTF, 100CFC/CFE/CFF) 
Stainless steel centrifugal pump

Applications 
   General industrial applications
   Petrochemical industrial
   Pharmaceutical and food industrial
   Chemical industrial
  
 Features 
   Due to selection of material combinations in Staianless 
   steel and PTFE, it can target variety of applications such like
   solvent, chemical, pure water or petrochemical liquid
   Easy maintenanace is possible without removing piping
   due to B.P.O (Back-Pull-Out) design had been applied.
   High performance, compact in size and low NPSH design.
Performance curve (2 Pole)


Performance curve (4 Pole)


Specification data
| 
	 Series name  | 
	
	 CT  | 
	
	 CT-K  | 
| 
	 Total head (MAX.)  | 
	
	 82 m  | 
|
| 
	 Flow rate (MAX.)  | 
	
	 1400 L/min  | 
|
| 
	 Liquid temp.  | 
	
	 ~80℃  | 
	
	 ~150℃ (Oil) / ~120℃ (Water)  | 
 Special specification for structure : 
     Oil bath lubrication, Quenching, Cooling, External flushing and special standard flange 
 
  Material
| 
	 Series  | 
	
	 CL  | 
	
	 CL-V  | 
| 
	 Casing / cover  | 
	
	 SCS13  | 
|
| 
	 Impeller  | 
	
	 SCS13  | 
|
| 
	 Mechanical seal  | 
	
	 Ceramic-Carbon, PTFE  | 
	
	 WC- Carbon, PTFE  | 
| 
	 O-ring  | 
	
	 PTFE  | 
	
	 FKM  | 
| 
	 Shaft  | 
	
	 SS304  | 
|
Special specification for mechanical seal and packing : 
     Tungsten carbide - Carbon, PTFE with seal marking of "-K"
     Tungsten carbide - Tungsten carbide, PTE with seal marking of "-W"
     SiC - SiC, PTFE (Double seals configuration)
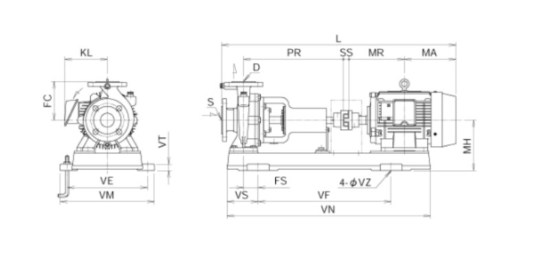
Dimensions

Dimensions 
   Please ask sales representative for the detail
Đang cập nhật
Miễn phí giao hàng toàn quốc
Tiếp tục mua hàng