Điện thoại
18002016C Series
CLD / CTD
Stainless steel centrifugal pump

Applications
General industrial applications
Petrol and chemical industries
Food and beverage, pharmaceutical and medical
Pure water and chemical liquid supply
Features
Due to selection of material combinations in Staianless
steel and PTFE, it can target variety of applications
Easy maintenanace is possible without removing piping
because B.P.O (Back-Pull-Out) design had been applied
SiC x special carbon mechanical seal (-J) option available
for pure water (low viscosity liquid) applications
Performance curve


Specification data
|
Series name |
CLD(-J) |
CLD |
CTD |
|
Total head (MAX.) |
36m |
76m |
|
|
Flow rate (MAX.) |
250L/min |
1400L/min |
|
|
Liquid temp. |
~80℃ |
~90℃ |
~90℃ |
Material
|
Series |
CLD (-J) |
CLD |
CTD |
|
Casing / cover |
SCS13 |
||
|
Impeller |
SCS13 |
||
|
Mechanical seal |
SiC - Carbon, PTFE |
SiC - SiC, PTFE |
Ceramic- Carbon, PTFE |
|
O-ring |
PTFE |
||
|
Shaft |
SS316 (SS304 for Increased Safety motor) |
||
Motor Specification
|
Three phase / TEFC Outdoor motor (ZE) |
50Hz : 200V , 60Hz : 200/220V |
|
Increased Safety Motor (A) |
50Hz : 200V , 60Hz : 200/220V |
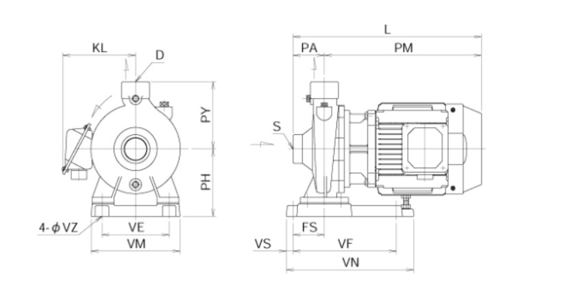
Dimensions

Dimensions
Please ask sales representative for the detail
Đang cập nhật
Miễn phí giao hàng toàn quốc
Tiếp tục mua hàng