Điện thoại
18002016K Series
KED-V / KHD / KHD-V / KWD
CAC bronze regenerative turbine pump

Applications
General industrial applications
Circulation of hot and cold water /media
Integrated with a variety of OEM machines
Features
Lead-free copper components, friendly to people and
the environment
Amount of copper leaching onto water < 0.005 mg/L
(standard value 0.01 mg/L)
Stable and reliable performance at small flow rates
Performance curve


Specification data
|
Series name |
KED (-V) |
KHD (-V) |
KWD (-V) |
|
Total head (MAX.) |
60m |
110m |
200m |
|
Flow rate (MAX.) |
110L/min |
110L/min |
50L/min |
|
Liquid temp. |
~120℃ (standard) / ~150℃ (-V) |
||
Material
|
Series |
KED (-V) |
KHD (-V) |
KWD (-V) |
|
Casing / cover |
CAC911 |
||
|
Impeller |
SS403 |
SS403 |
SS403 |
|
Mechanical seal |
SiC - Carbon, NBR (Standard) |
||
|
O-ring |
NBR (Standard) / FKM (-V) |
||
|
Shaft |
SS316 |
||
Motor Specification
|
Single phase / Open drip proof motor (S) |
50Hz/ 60Hz, 100V -230V, 0.3 to 0.55kW |
|
Three phase / TEFC motor (Z) |
50Hz : 200V , 60Hz : 200/220V |
|
Multi-voltage / TEFC motor (ZM) |
50Hz : 200V-415V , 60Hz : 200V-460V |
|
Increased Safety Motor (A) |
50Hz : 200V , 60Hz : 200/220V |
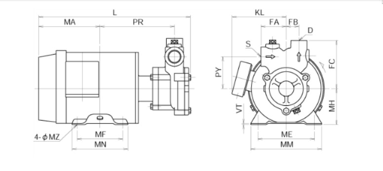
Dimensions


Đang cập nhật
Miễn phí giao hàng toàn quốc
Tiếp tục mua hàng