Điện thoại
18002016N Series
NPD / NED-V / NHD-V / NWD
Stainless steel regenerative turbine pump

Applications
General industrial applications
Circulation of hot and cold water /media
Integrated with a variety of OEM machines
Pure water and chemical liquid supply
Features
Stable and reliable performance at small flow rates
Radically reduce footprint of OEM equipment
SiC x special carbon mechanical seal (model NPD-J)
available for pure water (low-viscosity liquid) applications
Performance curve


Specification data
|
Series name |
NPD |
NPD-J |
NED-V |
NHD-V |
NWD |
|
Total head (MAX.) |
60 m |
110 m |
200 m |
||
|
Flow rate (MAX.) |
130 L/min |
50 L/min |
52 L/min |
||
|
Liquid temperature |
~ 90℃ |
~ 80℃ |
~ 150℃ |
~ 90℃ |
|
|
Series name |
NPD |
NPD-J |
NED-V |
NHD-V |
NWD |
|
Casing & cover |
SCS13 |
SCS14 |
SCS13 |
||
|
Impeller |
SS304 |
SS316 |
SS304 |
||
|
Mechanical seal |
SiC- SiC, PTFE |
SiC- Carbon, FKM |
SiC- Carbon, FKM |
SiC- Carbon, FKM |
SiC- SiC, PTFE |
|
O-ring |
PTFE |
FKM |
PTFE |
||
|
Shaft |
SS316L |
||||
Material
Motor Specification
|
Single phase / Open drip proof motor (S) |
50Hz/ 60Hz, 100V -230V, 0.3 to 0.55kW |
|
Three phase / TEFC motor (Z) |
50Hz : 200V , 60Hz : 200/220V |
|
Multi-voltage / TEFC motor (ZM) |
50Hz : 200V-415V , 60Hz : 200V-460V |
|
Increased Safety Motor (A) |
50Hz : 200V , 60Hz : 200/220V |
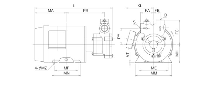
Dimensions


Đang cập nhật
Miễn phí giao hàng toàn quốc
Tiếp tục mua hàng