Điện thoại
18002016ST / STS / STW / STWS
High pressure cast iron regenerative turbine pump

Applications 
   General industrial applications
   Pure water and chemical liquid supply
   Washing solvent supply, suitable for filtration applications
 
 Features
   No metal contact between the impeller and the casing
   and cover, eliminating wear and reducing contamination
   Simple robust structure with minimal consumable parts,
   suitable for processes requiring high reliability
   Due to selection of material combinations
  (SUS304 / PTFE / SiC) can target variety of applications
   Very low noise levels silimar to centrifugal pumps, 
   additional noise reduction measures not required
Performance curve


Specification data
| 
	 Series name  | 
	
	 ST  | 
	
	 STS  | 
	
	 STW  | 
	
	 STWS  | 
| 
	 Total head  | 
	
	 Max. 170 m  | 
	
	 Max. 110 m  | 
||
| 
	 Flow rate  | 
	
	 Max. 105 L/min  | 
	
	 Max. 110 L/min  | 
||
| 
	 Liquid temperature  | 
	
	 ~ 90℃  | 
	
	 ~ 100℃  | 
	
	 ~ 90℃  | 
	
	 ~ 100℃  | 
| 
	 Connection  | 
	
	 Suction: JIS 10K , Discharge: JIS 20K  | 
	
	 Rc thread  | 
||
   Material   
| 
	 Series name  | 
	
	 ST  | 
	
	 STS  | 
	
	 STW  | 
	
	 STWS  | 
| 
	 Casing & cover  | 
	
	 FC200  | 
|||
| 
	 Impeller  | 
	
	 CAC406  | 
	
	 SS403  | 
	
	 CAC406  | 
	
	 SS403  | 
| 
	 Mechanical seal  | 
	
	 Ceramic - Carbon  | 
	
	 SiC- Carbon  | 
	
	 Ceramic - Carbon  | 
	
	 SiC- Carbon  | 
| 
	 O-ring  | 
	
	 NBR  | 
	
	 FKM  | 
	
	 NBR  | 
	
	 FKM  | 
| 
	 Shaft  | 
	
	 SS420J2  | 
|||
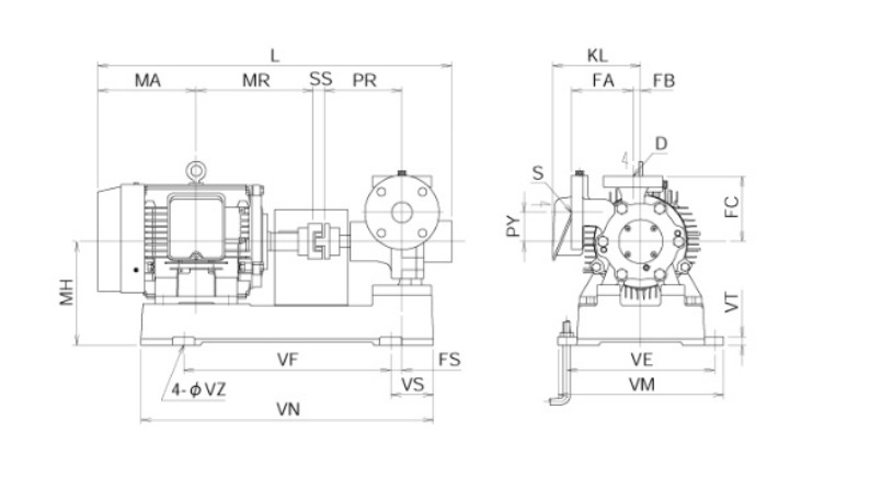
Dimensions

Đang cập nhật
Miễn phí giao hàng toàn quốc
Tiếp tục mua hàng